INDUSTRIAL & MOBILE HYDRAULICS

HA10VO31 28 CC HYDRAULIC PISTON PUMP

Technical Data

Displacement28,00 cm³
Max. Continuous Speed3000 rpm
Max. Limited Speed3600 rpm
Max. Continuous Pressure280 bar
Max. Intermit. Peak Pressure350 bar
Max. Torque at 280 bar125 Nm
Weight with Through Drive19,3 kg
Weight Without Through Drive18,0 kg
RotationCW, CCW

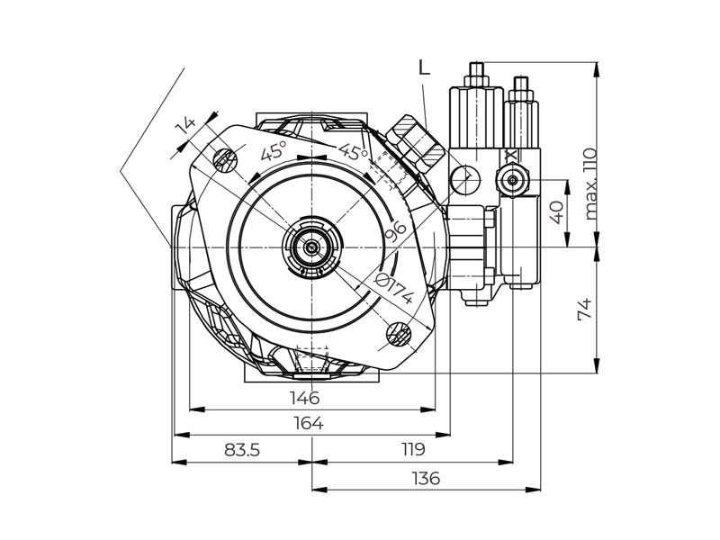
Dimensions

Advantages of the HA10VO31 Series;

Equipped with a compact design, high power density, and excellent suction capability, the HA10VO31 series has been developed for variable displacement open-circuit systems. Manufactured with Hidrocel Hydraulic engineering, this series offers 100% component compatibility with A10VO models on the market, ensuring full integration during revision or replacement processes for your existing systems.


Other Features of the HA10VO31

Full dimensional and component-based interchangeability with the A10VO series

Versatile use for mobile vehicles and stationary industrial plants

Optimized swashplate design and durable housing

High operational reliability and "fit-and-forget" quality standard

Low operating costs and easy spare parts procurement

Full system compatibility with a wide range of control valve options (DR, DFR, DFLR)


Why Variable Displacement Pumps ?

Featuring an axial piston and swashplate design, the HA10VO31 maximizes system efficiency by generating only the required amount of hydraulic energy. Unlike fixed displacement pumps, it adjusts itself according to system pressure and flow demand; this translates to fuel savings and low heat generation.

The flange and shaft structures fully comply with global ISO and SAE standards, allowing direct mounting to all types of drive units, from mobile applications to complex industrial machinery. The precision control mechanism guarantees a smooth hydraulic flow even under the most demanding operating conditions.

The HA10VO31 is designed to exhibit stable performance at high pressure and speed limits. Hidrocel Hydraulic’s precision manufacturing tolerances ensure the pump's long service life and operation with high volumetric efficiency.


Flow, Efficiency, Performance

In this series, the flow rate is directly proportional to the pump's drive speed and regulator setting. By controlling the swashplate angle, the flow can be steplessly adjusted from zero to maximum. This flexibility provides high-precision control power to the operator or the automation system.

The HA10VO31 has been developed with low noise emission and a high power-to-weight ratio to meet the expectations of the modern hydraulic market. Thanks to advanced valve plate geometry, pressure pulsations (ripple) are minimized, extending the overall life of the system.


HA10VO31 Pressure, Speed, and Flow Capacity

The pump has been tested to operate safely at a nominal pressure of 280 bar and a maximum pressure of 350 bar. Thanks to both ISO and SAE mounting standards, it is directly compatible with all machinery in the global market, and its modular structure allows it to be combined with additional pumps (thru-drive).

The Hidrocel Hydraulic HA10VO31 series offers higher performance and local service assurance without disrupting your existing hydraulic infrastructure. For technical details, regulator selections, and mounting dimensions, you can review our technical catalog or contact our expert team.