INDUSTRIAL HYDRAULICS

C-2PS 18 CC HYDRAULIC PISTON PUMP

Technical Data

Displacement18,00 cc
Max. Continuous Speed2300 rpm
Max. Limited Speed2900 rpm
Max. Continuous Pressure350 bar
Max. Intermit. Peak Pressure400 bar
Max. Torque at 350 bar105 Nm
Weight (Without Inlet Fitting)9,00 kg
Weight (With Inlet Fitting)9,40 kg
Overhang Torque (Without Inlet Fitting)8,75 N.m
Overhang Torque (With Inlet Fitting)9,19 N.m
RotationCW, CCW

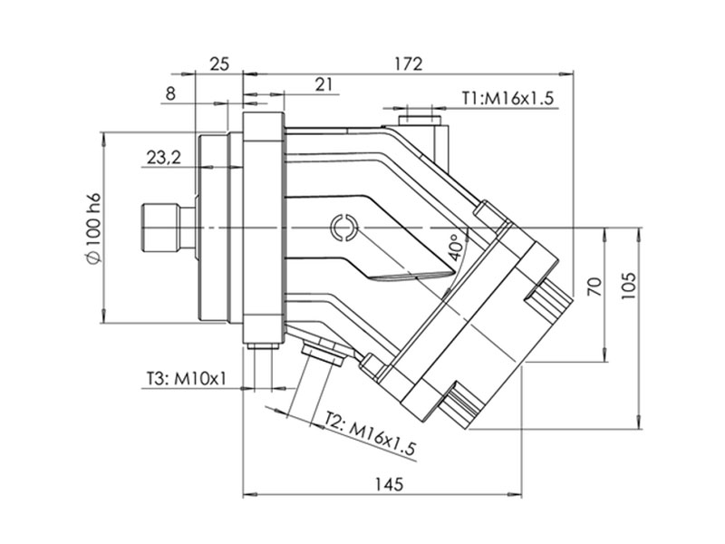
Dimensions

C-2PS have the following advantages;

Compact Design, Economical Conception, High Rotating Speeds, High Output Pressure, Reduced Noise Level, Smaller Installation Dimensions, One Piece Pistons with Piston Rings, Special Suction Fittings & Accesories, Simple Change of Direction of Rotation..

C-2PS Bent Axis Pumps starting at ;  5cc, 12cc, 18cc, 25cc, 32cc, 40cc, 50cc, 56cc and 63cc.

C-2PS Pumps have Special and Classic Versions. More details available at C-2PS Official Catalog..


Other Advantages of C-2PS

New frame sizes to meet market requirements.

Optional by-pass valve.

For use in mobile & industrial and stationary applications areas.

The pump drive shaft bearings are designed to give the service life expected in these areas of operation.

Interchangeable with other bent axis pumps.


Why Bent Axis ?

40 degree bent axis design giving high power, small overall dimensions, optimum efficiency and economic design.

The fixed displacement bent axis pumps generates a hydraulic fluid flow.

The C-2PS is a fixed pump with rotary group in bent-axis design open circuits.


Flow, Efficiency, Performance

Flow is proportional to drive speed and displacement.

For axial piston units with bent-axis design, the Pistons are arranged diagonally with respect to the drive shaft. The pump covers the whole displacement range 5 to 163 cm³/rev.

The pump has been developed with modern styling and design to satisfy market demand as to designed new generation plate and pistons
with give high flow performance, high pressures with high efficiency and very small dimensions.


Pressure, Speed and Flow list of C-2PS

The pump is available ISO world standards and can be mounted directly.

If necessary it can also be augmented with a by-pass valve.

Refer to the data sheet and order confirmation for the technical data,operating conditions and operating limits of the bent axis piston pumps.